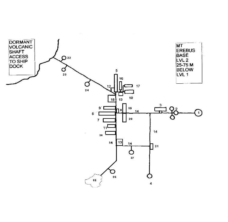
| MT EREBUS SCOUTBASE LEVEL TWO 1125
 
 | 
              
             
                                                                                                When Bette Noire occupied the planet, she immediately had Companion restart excavation & 
construction at Mt. Erebus.  Some of the construction (such as new barracks) continued Phalaris 
& the scouts plans for the base.  Bette added a few more defensive features as storage & refit 
centers for service & security bots scattered throughout the level.   She also had the bots finish a 
tunnel into a cave formed in the mountain.  There are plans for more barracks, another mess hall, 
training center plus some empty rooms in the future.
            
            
              
                
                  | 1.  AUXILIARY CONTROL CENTER 
 | 
              
             
            The subfloor of the command center is a duplication  in miniature of the main command 
center above & can be treated as a Model/2 computer.  The main control center above & the 
storage & repair center below can accessed two ways:  the enclosed  lift shift & the ladder in 
the access tunnel.   The access tunnel hatch & the lift both open up facing the hatch leading 
out of the center for a good reason.  Two dual mount gauss rifles (each with a 500 round 
magazine) pop out of the ceiling  in case of intruders.  There another dual gauss rifle (also 
with 500 magazines) that pops out of the ceiling above the environmental control center.  
The storage cabinets contains tools & parts for repairing or upgrading the computer 
systems.  The arsenal includes 2 gauss rifles with 40-rd. magazines ( 34 magazines, 9 HEAP, 
25 solid); 17 knockout gass grenades, 6 shotguns with 20 rd. mags.  ( 44 mags, 23 buckshot, 
11 HE, 10 knockout gas );  6 snub pistols with 18 round mags,  ( 52 mags,  22 tranquilizer, 23 
solid,  7 HE);  6 cutlasses, & 11 sets of combat armor in various sizes.
This level has been unmodified by Capt. Noire & is still in its pre-1124 state.
            
            
            2.  The security station is split into three sections:  A:  Security checkpoint with sensors & 
two security positions, one inside an room behind an armored window (treat as ballistic cloth 
+3) & a secondary position in the open area of the room.  The room also has a popout quad 
snub SMG unit in the ceiling, each with a 300 round magazine of solid rounds/  B.  A security 
monitor room that monitors the entire underground area of the complex.  From here 
Companion (or any authorized sophonts) can initiate lockdown & deploy hidden defense 
systems.  Two of the permanent garrison are deployed here supplemented by any inport 
crewman off Bette's Ships.
            
            
This control center operates the 40 missile launch tubes buried in Erebus' southern face 
that constitute the base's main defence.  Treat the computer system as Model/1.
The lift drops to the missile magazine which currently holds 983 missiles (maximum 
capacity 2400 missiles.  The control room itself has hatches allowing access to the missile 
bay 20 meters below.   The site is unmodified from its pre-1124 state.
            
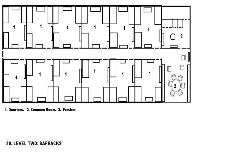
            5.  BARRACKS
12. GEOTHERMAL BATH
            
            4. The original scout barrack.  Each room(1) consists of three double bunkbeds, wardrobe, round 
table, small rectangular table.  The washroom (2) consists of a gang shower, 4 toilets, sink, & a 
automated laundromat.  The nursery (3)  was for the children of scout personnel.  It consists of a 
bedroom with beds of various sizes & a wardrobe; & a outer room which functions as a 
playroom/education center with a media center, computer, small table, & a food dispenser.
The room is in pre-1124 condition though the library data has been increased by Capt. Noire's crew
The crew of the Aarabella & her smaller consorts use these rooms currently.  Total occupancy 84.
12.  The geothermal bath, fed from an underground source.  The bath is a meter deep.  There are 
three benches & a locker near the entrance.
            
            
            6.  Originally barracks for the senior scouts, Bette has converted it  into quarters for herself, her family 
& her closest companions.  Each room contains an DNA locked storage closet containing combat gear & 
weapons.  Bette's room contains a private Shirihin Irehinaraa shrine & the conference  room shrine to 
fallen comrades & Kheafatyr's room has a shrine to heroes.  The conference room(1) can sit to 20 
persons if needed, has full access the base's data & monitors plus a broadcast center. The barrack 
rooms have king-size beds(each bed can divide into 3 single beds), full fresher facilities(TL13), 
wardrobes, & cabinets for arms & armor.  Bette's, Falkhon, & Khea's rooms also have a fully equipped 
commo station.  Locks are controlled by a mix of electropasses, DNA, & retinal scan.  Bette's room also 
has an additional psionic lock allowing only a psi to open it & a teleport  unit allowing her to teleport to 
her room aboard the Aarabella.
            
            7. MEDICAL OFFICE
            
                                                                                                
            The medical office is fully equipped with TL ranging between TL11-15 on equipment.  Dr. Raoluil (female 
Aslan 34, Med.-3, Laser-2, Computer-3, Vacc Suit-1, Dagger-2, Bribery-1, Dewclaw-3) is the chief & only 
permanent medical officer at the facility.  The ward is setup for 12 patients but  can be expanded to hold 
up to 22.  The south surgery office (6) contains 2 Serenity machines (1 male, 1 female) installed from the 
Ancients site on Koxinga overseen by Maireya Dost, senior Sister of Serenity (female Human, 6B7997 44, 
Medical-3, Laser-1, Navigation-1, Computer-3, Pistol-3, Vacc Suit-2, Interrogation-2, Broker-1, Commo-1, 
JOT-2) at the base.  Bette has standing orders that all her personnel & their families undergo Serenity 
treatment to reside at the base.  Each surgery room contains one autodoc unit for emergency treatment 
& rehab.
            
            Features state of the art resistance machines and grav plates (adjustable up to 2 G)in the floor 
create a total body workout.
            
            Though fully automated, the kitchen is set up also for sentient beings to also cook. Chefbot with 4 
arms( 5/5 damage, steward-2, STR-9) floats on its own grav system (20 kph top speed).  
            
            A fully equipped research lab kept up to date by Phalaris before her death in 1118, they are no 
resident scientists currently.  Bette's daughter Spider spends much of her time here when on Tortuga.
TL ranges from 12-15.
            
            Fully equipped used mostly by  trusted guests (such as the Dehl family).  Dr. Raoluil is the only 
permanent occupant.  Except for Raoluil's room, the room have no computer access.
            
            Used by the Officers of Bette's other ships.  Besides the usual amenities each room comes with it's 
own weapon locker & safe.  Rooms & their contents keyed to the DNA & code word of it's occupant.  
            
            Quarters for the permanent personnel of the base.  Currently Aslans brought in by Khea & her relatives 
or former members of Bette's  fleet.
Eaothiw (male 24) B9A656. Gauss-1, Dewclaw-1, Battledress-1, Gunnery-1
Kheuwio (male 26) A88458.  Dewclaw-2, Laser-1, Cutlass-2, Vacc Suit-1
Akhohuir (male 24) 9A8567.  Zero-G Cbt-1,  Battledress-1, Unarmed Cbt-1, Declaw-1, Pistol-1
Aoufhui  (female 26)  676A96.  Elect.-1, Dewclaw-1, Gauss-1, Computer-2, Robotics-1
Erwiouwea  (female 25)  775898.  Pilot-1, Nav.-1, Dewclaw-1, Laser-1, Computer-1, Vacc Suit-1
Itou  (male 25)  999354. Interrogation -1,  Dewclaw-3, Gauss-1, Ship's Boat-1, Gunnery-1
Keaothil  (female 25) 876B77.  Grav Vehicle-1, Robotics-1, Broker-1, Dewclaw-1, SMG-1, Eng.-1
Eiwaolthu (male 26) 9AA545.  Battledress-1, Heavy Weapons-1, Cbt. Rifle-1, Dewclaw-1, Blade-1
Eiaswou  (male 28) 8B9656.  Gunnery-2, Dewclaw-1, Brawling-2, Vacc Suit-1, Zero-G Cbt-2.
Awasou  (female 27 )  7A7896.  Computer-1, Stealth-1, vacc Suit-1, Dewclaw-1, Mech.-1, Forgery-1
Aothuil  (male 26 ) B7B947.  Heavy Weapons-1, Gauss-2, Battledress-1, Dewclaw-4
Eaokhui (female 27 )  6B7996.  Demo-1, Bribery-1, Dewclaw-3, Grav Vehicle-1, Gauss-1
Akhauwoiu  (female 24)  687997.  Elect.-1, Dewclaw-1, Blade-1, Laser-1, Brawling-1, Computer-1
            
            Set up for the nonpirate spouses & their children, these rooms have no permanent occupancy yet.
each room comes with a standard bed & a king bed (the king can be broken into 2 standards).
            
            Built to Bette's specifications, each contains lockers with repair facilities & spare parts for security bots.
Each unit contains  24 4 cm Deathwasp  robots (modeled after organic wasps takes 3/3 damage, 
Recon-1, Target, Dagger-1 ) each equipped with a stinger delivering 6 doses each of tranquilizer ( 3D6 
nonlethal, effect last 4 hours) or venom (3D6); and 4 TL13 Beaumonde Graumonde grav security bots
( 25/25 damage, Grav vehicle-1,  Gauss-1, Brawling-1, Whip-1) with one Gauss SMG (120 rounds of 
ammo), & two tentacles ( STR 18, treat as whip to hit, a hit does 3D6 damage or wraps up & immobilizes 
target).  Each bot in storage rests on a recharge unit  connected to the small fusion powerplant in each 
room.
            
                                    
            
            1
            
            1. Dr. Raoluil's room